Home
/
Surenoo Graphic OLED Module 3.12" 25664 256*64 256X64 Graphic LCD Module Display Screen Panel PM-OLED 6800/8080 8-Bit Parallel 3-/4- Wire Serial SPI IIC I2C SSD1362 Controller SOG25664B2_M312 P312
Surenoo Graphic OLED Module 3.12" 25664 256*64 256X64 Graphic LCD Module Display Screen Panel PM-OLED 6800/8080 8-Bit Parallel 3-/4- Wire Serial SPI IIC I2C SSD1362 Controller SOG25664B2_M312 P312
WISHLIST
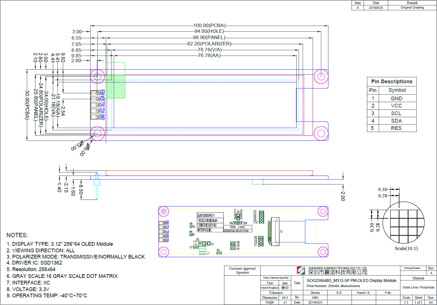
Display Size: 3.12"
Model No.: SOG25664B2_M312
Display Format: 256*64 Dots
Outline: 100.00X33.00/30.00MM
Controller: SSD1362 or Equal
Model No.: SOG25664B2_M312
Display Format: 256*64 Dots
Outline: 100.00X33.00/30.00MM
Controller: SSD1362 or Equal
19 sold
Quantity
-
Detail
- Overview
It's easily controlled by MCU such as 8051, PIC, AVR, ARDUINO, ARM and Raspberry Pi. It can be used in any embedded systems, industrial device, security, medical and hand-held equipment.
- Specification
Gross Weight 0.080Kg Manufacturer Surenoo Display Type Graphic OLED Module / Graphic OLED Panel Continuity Supply More than 10 years Part No. SOG25664B2 (OLED Module: SOG25664B2_M312 / OLED Panel: SOG25664B2_P312) Diagonal Size (Visual Area) 3.12" Display Format 256*64 Dots Interface SOG25664B2_M312-16Pin: 8-bit 68XX/80XX Parallel, 4-wire SPI, I2C SOG25664B2_M312-7Pin: 4-wire SPI, I2C SOG25664B2_M312-5Pin: I2C SOG25664B2_P312-24Pin: 8-bit 68XX/80XX Parallel, 4-wire SPI, I2C IC or Equivalent SSD1362 or Equal Voltage(Type) 3.3V Outline Dimension OLED Module: 100.00(W)x33.00/30.00(H)x4.75(T)mm OLED Panel: 86.90(W)x25.80(H)x2.00(T)mm Visual Area 78.78x21.18mm Active Area 76.78x19.18mm Dots Size 0.30x0.30mm Dots Pitch 0.28x0.28mm Display Type PM-OLED Panel Colors Code SOGW(White) IC Package COG Viewing Direction Full Viewing Angle Operating Temperature-40℃~70℃Storage Temperature-40℃~80℃- Outline Drawing

2. OLED Module: SOG25664B2_M312-7Pin
3. OLED Module: SOG25664B2_M312-5Pin
4. OLED Panel: SOG25664B2_P312-24Pin

- Interface
Interface Selection R3 R5 R8 R9 I2C 1 0 1 0 SPI 0 1 1 0 6800 0 1 0 1 8080 1 0 0 1
Pin No. Symbol Description 1 VCC Power Supply for OEL Module
This is the most positive voltage supply pin of the chip.
It must be supplied externally. (3.3V)2-3 GND Ground of Logic Circuit
This is a ground pin.
It also acts as a reference for the logic pins. It must be connected to external ground.4 RES Power Reset for Controller and Driver
This pin is reset signal input.
When the pin is low, initialization of the chip is executed. Keep this pin pull high during normal operation.5 CS Chip Selection
This pin is the chip select input. The chip is enabled for MCU communication only when CS# is pulled low.6 D/C Data/Command Control
This pin is Data/Command control pin.
When the pin is pulled high, the input at D7~D0 is treated as display data. When the pin is pulled low, the input at D7~D0 will be transferred to the command register.When the pin is pulled high and serial interface mode is selected, the data at SDIN is treated as data. When it is pulled low, the data at SDIN will be transferred to the command register. In I2C mode, this pin acts as SA0 for slave address selection.For detail relationship to MCU interface signals, please refer to the Timing Characteristics Diagrams.7 R/W Read/Write Select or Write
This pin is MCU interface input.
When interfacing to a 68XX-series microprocessor, this pin will be used as Read/Write (R/W#) selection input. Pull this pin to “High” for read mode and pull it to “Low” for write mode.When 80XX interface mode is selected, this pin will be the Write (WR#) input. Data write operation is initiated when this pin is pulled low and the CS# is pulled low.When serial mode is selected, this pin must be connected to VSS.8 E/RD Read/Write Enable or Read
This pin is MCU interface input.
When interfacing to a 68XX-series microprocessor, this pin will be used as the Enable (E) signal. Read/write operation is initiated when this pin is pulled high and the CS# is pulled low.When connecting to an 80XX-microprocessor, this pin receives the Read (RD#) signal. Data read operation is initiated when this pin is pulled low and CS# is pulled low.When serial mode is selected, this pin must be connected to VSS.9-16 D0(SCLK)
D1(SDIN)
D3-D7Host Data Input/Output Bus
These pins are 8-bit bi-directional data bus to be connected to the microprocessor’s data bus.
When serial mode is selected, D1 will be the serial data input SDIN and D0 will be the serial clock input SCLK.
When I2C mode is selected, D2, D1 should be tired together and serve as SDAOUT, SDAIN in application and D0 is the serial clock input, SCL. Unused pins must be connected to VSS except for D2 in serial mode.
1.2 OLED Module: SOG25664B2_M312-7Pin (7P/2.54)Pin No. Pin Name Level Description 1 GND 0V Ground 0V 2 VCC 3.3V Power Supply for logic (3.3V) 3 SCL H/L Serial Clock signal 4 SDA H/L Serial Data Input signal 5 /RES L Active Low Reset signal 6 D/C H/L SPI: High_Data / Low_Command; IIC: This pin acts as SA0 for slave address selection. 7 CS L Chip Selection.
1.3 OLED Module: SOG25664B2_M312-5Pin (5P/2.54)
Pin No. Symbol Level Description 1 GND 3.3V Ground 0V 2 VCC 0V Power Supply for logic (3.3V) 3 SCL H/L Serial Clock signal 4 SDA H/L Serial Data Input signal 5 /RST L Active Low Reset signal
2. OLED Panel: SOG25664B2_P312 (24Pin/0.5)Pin No. Symbol Type Description Power Supply 2 VLSS P Ground of Analog Circuit
This is an analog ground pin. It should be connected to VSS externally.3 VDD P Power Supply for Logic Circuit
VDD can be supplied externally (within the range of 1.65V to 2.6V) or regulated internally from VDDIO when VDDIO is >2.6V.A capacitor should be connected between VDD and VSS under all circumstances.4 VDDIO P Power Supply for Operation and I/O Pin
This pin is a power supply pin of operation and I/O buffer.
It must be connected to external source & always be equal to or higher than VDD .All I/O signal should have VIH reference to VDDIO. When I/O signal pins (BS0~BS1, D0~D7, control signals…) pull high, they should be connected to VDDIO.20 VSS P Ground of Logic Circuit
This is a ground pin. It also acts as a reference for the logic pins.
It must be connected to external ground.23 VCC P Power Supply for OEL Panel
This is the most positive voltage supply pin of the chip.
It must be supplied externally.Driver 1 VP P Voltage Output Low Level for SEG Signal
This pin is the segment pre-charge voltage reference pin.
A capacitor should be connected between this pin and VSS. No external power supply is allowed to connect to this pin.21 IREF I Current Reference for Brightness Adjustment
This pin is segment current reference pin.
A resistor should be connected between this pin and VSS. Set the current at 10μA maximum.22 VCOMH P Voltage Output High Level for COM Signal
This pin is the input pin for the voltage output high level for COM signals.
A capacitor should be connected between this pin and VSS.Interface 5 CS# I Chip Select
This pin is the chip select input. The chip is enabled for MCU communication only when CS# is pulled low.6 RES# I Power Reset for Controlle and Driver
This pin is reset signal input.
When the pin is low, initialization of the chip is executed. Keep this pin pull high during normal operation7 D/C# I Data/Command Control
This pin is Data/Command control pin.
When the pin is pulled high, the input at D7~D0 is treated as display data. When the pin is pulled low, the input at D7~D0 will be transferred to the command register.When the pin is pulled high and serial interface mode is selected, the data at SDIN is treated as data. When it is pulled low, the data at SDIN will be transferred to the command register.
In I2C mode, this pin acts as SA0 for slave address selection.For detail relationship to MCU interface signals, please refer to the Timing Characteristics Diagrams.8 R/W# I Read/Write Select or Write This pin is MCU interface input.
When interfacing to a 68XX-series microprocessor, this pin will be used as Read/Write (R/W#) selection input. Pull this pin to “High” for read mode and pull it to “Low” for write mode.When 80XX interface mode is selected, this pin will be the Write (WR#) input. Data write operation is initiated when this pin is pulled low and the CS# is pulled low.When serial mode is selected, this pin must be connected to VSS.9 E/RD# Read/Write Enable or Read This pin is MCU interface input.
When interfacing to a 68XX-series microprocessor, this pin will be used as Read/Write (R/W#) selection input. Pull this pin to “High” for read mode and pull it to “Low” for write mode.When 80XX interface mode is selected, this pin will be the Write (WR#) input. Data write operation is initiated when this pin is pulled low and the CS# is pulled low.When serial mode is selected, this pin must be connected to VSS.10-17 D0-D7 I/O Host Data Input/Output Bus
These pins are 8-bit bi-directional data bus to be connected to the microprocessor’s data bus.
When serial mode is selected, D1 will be the serial data input SDIN and D0 will be the serial clock input SCLK.
When I2C mode is selected, D2, D1 should be tired together and serve as SDAOUT, SDAIN in application and D0 is the serial clock input, SCL. Unused pins must be connected to VSS except for D2 in serial mode.18
19BS0
BS1I Communicating Protocol SelectThese pins are MCU interface selection input. See the following table:BS0 BS1 I2C 1 0 4-wire SPI 0 0 8-bit 68XX Parallel 0 1 8-bit 80XX Parallel 1 1 Reserve 24 NC (GND) - Reserved Pin (Supporting Pin) The supporting pins can reduce the influences from stresses on the function pins.These pins must be connected to external ground as the ESD protection circuit.Please download the datasheet to get the detailed Pin description. -
Customer ReviewsNo comments